Опора освещения ОГК-10,0-(2)-3
Описание
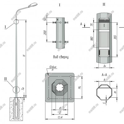
ОГК-10,0-(2)-3 это несиловая опора освещения, тип исполнения граненый конический многогранный. Данный вид конструкций используется для освещения дворовых территорий, городских скверов, небольших улиц и дорог разного типа. Практичные и долговечные опоры благодаря методу изготовления из стали и покрытию от коррозии методом горячего оцинкования. В сравнении с бетонными собратьями данные опоры ОГК-10,0-(2)-3 имеют ряд преимуществ.
Граненая опора освещения эксплуатируется в самых различных условиях, в том числе и при температуре окружающего воздуха до минус 40 градусов Цельсия. Одновременно освещение таким типом опор может обеспечиваться и в жёстких ветровых районах России. Опора ОГК-10,0-(2)-3обладает устойчивостью и надежностью благодаря полой конструкции и толщине используемого листового проката.
Фланцевый способ установки обуславливает легкость замены ее в случае дтп или аварии без трудоемкого процесса монтажа фундамента металлического. Так же в опоре для установки электрооборудования исполнены все необходимые крепежные элементы.
Нормативно техническая документация выпускаемой продукции
23118-2012-КОНСТРУКЦИИ СТАЛЬНЫЕ СТРОИТЕЛЬНЫЕ - Building steel structures. General specifications
ГОСТ 27751-2014-НАДЕЖНОСТЬ СТРОИТЕЛЬНЫХ КОНСТРУКЦИИ И ОСНОВАНИЙ - Основные положения
23118-2019 - Общие технические условия
