Опора ОГК-10 в Ставрополе
Опора ОГК-10 это несиловая граненая коническая опора высотой 10 метров, представляет собой конструкцию для освещения дорог, тротуаров, дворовых территорий. Подвес СИП не предназначен для данной опоры, поэтому подвод электропитания осуществляется подземным способом. В нижней части опоры ОГК-10 располагается лючок обслуживания, куда крепятся вводные щитки или автоматические выключатели.
Производство
Изготавливается граненая коническая опора ОГК-10 из прочной рулонной стали на специальных гибочных станках. Такой метод позволяет производить полые конусообразные многогранники, после чего они приобретают знакомый нам вид столбов. Металлическая граненая опора ОГК-10 может быть исполнена в различных вариациях, а также все столбы длинной свыше 10 метров, в стандартном и усиленном вариантах.
Установка осветительных приборов на граненые опоры ОГК-10 осуществляется с помощью кронштейнов, крепящихся в верхней части опоры при помощи метизных изделий. Светильники как и кронштейны могут быть консольного и прожекторного типов в зависимости от технических требований, количество рожков от одного, до пяти. На несиловые опоры ОГК-10 могут быть установлены камеры фото и видео фиксации.
Покрытие опор ОГК-10
Для обеспечения защиты от коррозии применяется метод горячего оцинкования. Данный способ подразумевает гарантию от неблагоприятных воздействий в течении двадцати лет в зависимости района установки опор освещения ОГК-10. Толщина оцинкованного покрытия составляет от 60 до 150мкм. Такое покрытие является многофункциональным ведь помимо своего прямого предназначения он придаёт приятный эстетический вид. Данный вид антикоррозийного покрытия опор ОГК-10 и других конструкции не является декоративным.
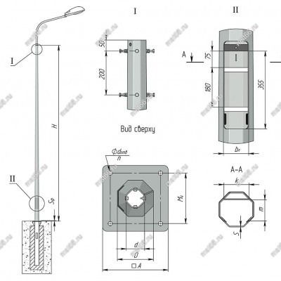
Монтаж
Опора освещения ОГК-10 монтируется на фланцевое основание с помощью резьбовых крепежных деталей метизов (болты, шпильки, гайки, шайбы), и требуют подготовленного фундамента при установке. ФМ заглубляют в бетонное основание фланцевой частью к верху. Возможен монтаж без фланца – при условии, что величина заглубления будет 2 м и более (для общей длины в десять метров).
Цена опор ОГК-10
Зависит от множества факторов таких как: типоразмеры, ветровые районы, климатические условия и самый значимый это сырье для изготовления опор ОГК-10. Нами используется самый качественный металлопрокат передовых заводов изготовителей, вся продукция имеет сертификат и выпускается по ГОСТ.
Собственные складские площади позволяют нам хранить граненые опоры ОГК-10 в наличии. Это в свою очередь дает возможность отгружаться в короткие сроки, производить монтажные работы, оперативно сдавать объекты, что немаловажно в летний период, высокой активности строительства.
ОГК-10 - купить в Ставрополе по цене завода производителя
Осуществляем поставки по России автотранспортом и жд-транспортом.
В целях вашей экономии малые объёмы продукции отправляем догрузом либо транспортной компанией (ДЛ, ПЭК, Энергия и др.)
Самовывоз опор ОГК с производства в Ставрополе возможен только в рабочее время. Погрузка осуществляется верхним способом.
Чтобы забрать груз самостоятельно, потребуется подписанная доверенность на водителя либо экспедитора и 100% оплата товара.



