Опора ОГК-8 в Ставрополе
Граненая коническая опора ОГК-8 тип исполнения многогранный. Данный вид конструкций используется для освещения дворовых территорий, городских скверов, небольших улиц и дорог разного типа. Практичные и долговечные, благодаря методу изготовления из стали и покрытию от коррозии методом горячего оцинкования. В сравнении с бетонными собратьми данные конструкции имеют широкий ряд преимуществ.
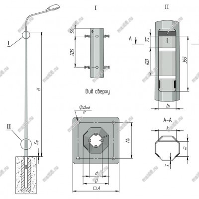
Монтаж опор ОГК-8
Фланцевый способ установки обуславливает легкость замены ее в случае дтп или аварии без трудоемкого процесса монтажа фундамента металлического. Так же в нижней части ствола, для установки электрооборудования, исполнены все необходимые крепежные элементы.
- Купить опору ОГК-8 - цена в Ставрополе
Производство
Опора освещения ОГК-8, производится способом гибки листовых форм из высокопрочной стали со сварным швом вдоль всей длинны. Обрабатываются горячим оцинкованием, что обеспечивает длительную защиту от коррозии.
Монтируется в самых разных условиях, так же, при температуре окружающей среды от плюс 40 до минус 40 градусов. Освещение таким методом обуславливает обеспечение и в суровых ветровых районах. Обладает устойчивостью крепкостью и надежностью благодаря полой конструкции ствола и толщине используемого листового проката.
Осуществляем поставки по России автотранспортом и жд-транспортом.
В целях вашей экономии малые объёмы продукции отправляем догрузом либо транспортной компанией (ДЛ, ПЭК, Энергия и др.)
Самовывоз с производства в Ставрополе возможен только в рабочее время. Погрузка осуществляется верхним способом.
Чтобы забрать груз самостоятельно, потребуется подписанная доверенность на водителя либо экспедитора и 100% оплата товара.
