Опора ОГК-14
Изготавливается граненая коническая опора ОГК-14 из прочной рулонной стали на специальных гибочных станках. Такой метод позволяет производить полые конусообразные многогранники, после чего они приобретают знакомый нам вид столбов. Металлическая опора ОГК-14 может быть исполнена в различных вариациях, а также все столбы длинной свыше 10 метров, в стандартном и усиленном вариантах.
| Haимeнoвaниe oпopы | Рекомендуемый фундaмeнт ФМ |
Macca*, кг | Уcтaнoвoчнoе мecто кpoнштeйна | Paзмepы, мм | |||||||
| H | h1 | D1 | D2 | d | n | A | Б | ||||
| Опора ОГК-3 | ФМ 0,108-1,5 | З0 | Ф2 | 3,0 | 1500 | 90 | 57 | M16 | 4 | 190 | 140 |
| Опора ОГК-4 | ФМ 0,108-1,5 | 40 | Ф2 | 4,0 | 1500 | 125 | 69 | M16 | 4 | 190 | 140 |
| Опора ОГК-5 | ФМ 0,108-1,5 | 50 | Ф2 | 5,0 | 1500 | 110 | 60 | M16 | 4 | 190 | 140 |
| Опора ОГК-6 | ФМ 0,108-1,5 | 60 | Ф2 | 6,0 | 1500 | 126 | 60 | M16 | 4 | 190 | 140 |
| Опора ОГК-7 | ФМ 0,133-1,5 | 70 | Ф2 | 7,0 | 1500 | 135 | 60 | M20 | 4 | 300 | 200 |
| Опора ОГК-8 | ФМ 0,133-2,0 | 89 | Ф2 | 8,0 | 2000 | 146 | 68 | M20 | 4 | 300 | 200 |
| Опора ОГК-9 | ФМ 0,159-2,0 | 108 | Ф2 | 9,0 | 2000 | 14З | 68 | M24 | 4 | 300 | 200 |
| Опора ОГК-10 | ФМ 0,159-2,0 | 115 | Ф2 | 10,0 | 2000 | 166 | 68 | М24 | 4 | 300 | 200 |
| Опора ОГК-12 | ФМ-0,219-2,0 | 190 | Ф4 | 12,0 | 2000 | 175 | 72 | м24 | 4 | 400 | 300 |
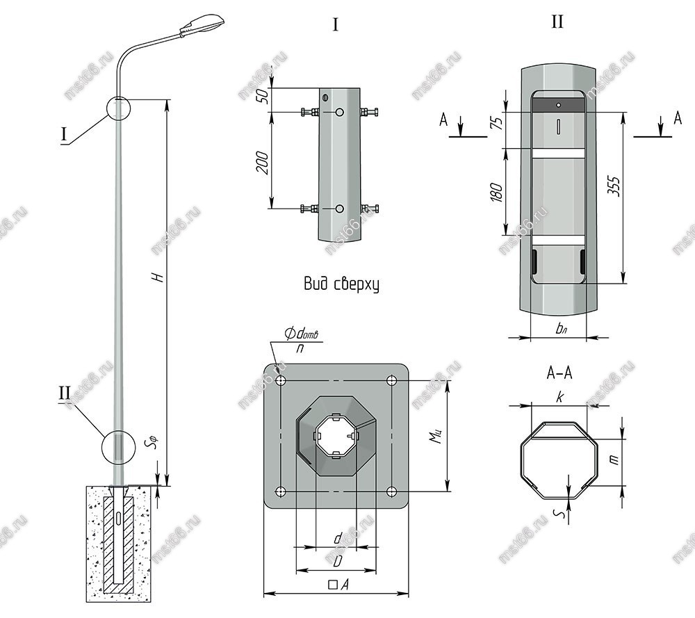
| Опора ОГК-14 | ФМ-0,273-2,5 | 280 | Ф4 | 14,0 | 2500 | 210 | 90 | М24 | 4 | 400 | 300 |
| Опора ОГК-16 | ФМ-0,273-2,5 | 350 | Ф4 | 16,0 | 2500 | 235 | 90 | м30 | 4 | 400 | 300 |
Монтаж
Опора освещения ОГК-14 монтируется на фланцевое основание с помощью резьбовых крепежных деталей метизов (болты, шпильки, гайки, шайбы), и требуют подготовленного фундамента при установке. ФМ заглубляют в бетонное основание фланцевой частью к верху. Возможен монтаж без фланца – при условии, что величина заглубления будет 2 м и более (для общей длины в десять метров).
Защищается от внешних воздействий методом горячего оцинкования, данный способ подразумевает гарантию неблагоприятных воздействий в течении двадцати лет в зависимости района установки.
Цена опор ОГК-14
Зависит от множества факторов таких как: типоразмеры, ветровые районы, климатические условия и самый значимый это сырье для изготовления. Ипользуется самый качественный металлопрокат передовых заводов изготовителей, вся продукция имеет сертификат и выпускается по ГОСТ.
ОГК-14 - купить в Ставрополе
Мы осуществляем поставки по России автотранспортом и жд-транспортом.
В целях вашей экономии малые объёмы продукции отправляем догрузом либо транспортной компанией (ДЛ, ПЭК, Энергия и др.)
Самовывоз с производства в Ставрополе возможен только в рабочее время. Погрузка осуществляется верхним способом.
Чтобы забрать груз самостоятельно потребуется подписанная доверенность на водителя либо экспедитора и 100% оплата товара.
